其它行业专用仪器/仪表 >> 其它行业专用
壁厚千分尺BMS-MX/BMS/BMS-K型
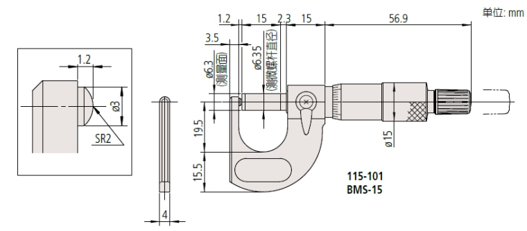
产品介绍 BMS-MX/BMS/BMS-K系列 壁厚千分尺 测量面为硬质合金。 (BMS-15 :只有测微螺杆是硬质合金)。 BMS-MX:达到IP65防护等级的球面-平面型数显千分尺。 带有恒定测力的装置。 通用规格 BMS-MX电源 纽扣型氧化银电池SR44 (No.938882) 1个 (标准附件,用于初次操作检查) BMS-MX电池寿命 通常使用情况下约2.4年 BMS-MX的位置检出方式 电磁感应式旋转编码器 标准附件 量杆1件(不包括0 - 15mm、0 - 25mm型) 扳手(No.200168) 1件(BMS-15) 扳手(No.301336) 1件(BMS/BMS-K/BMS-MX) 技术参数
尺寸
|
相关产品
|
||||||||||||||||||||||||||||||||||||||||||||||||||||||||||||||||||||||||||||||||||




